ล็อคประตูตู้อุตสาหกรรมเป็นส่วนประกอบป้องกันที่สำคัญของตู้กระจายสินค้า ตู้สื่อสาร กล่องควบคุม และอุปกรณ์อื่น ๆ ซึ่งเกี่ยวข้องโดยตรงกับความปลอดภัยของส่วนประกอบไฟฟ้าภายในและการทำงานที่มั่นคงของระบบ
เพื่อตอบสนองความต้องการที่หลากหลายในด้านเวลาและข้อกำหนดในการจัดส่งสำหรับโครงการต่างๆ บริษัทของเราจึงมีล็อคที่ใช้กันทั่วไปอยู่ 5 ประเภทในสต็อกเสมอ --ล็อคบาร์ยาว, ล็อคแผง, ล็อคการควบคุมก้าน, แฮนด์ล็อค,ล็อคลิ้นแบบหมุน. ในเวลาเดียวกัน เรารองรับการล็อคที่ไม่ได้มาตรฐานที่ปรับแต่งตามแบบหรือตัวอย่าง ซึ่งเหมาะอย่างยิ่งสำหรับกล่องกระจายโลหะทุกประเภท
ล็อคเครื่องบินเป็นหนึ่งในล็อคประตูตู้อุตสาหกรรมที่พบมากที่สุดทั้งสวยงามและบำรุงรักษาง่าย บริษัทของเราเปิดตัวล็อคเครื่องบินซีรีส์ AB301, AB302, AB303, AB402, AB403 ในด้านความแข็งแรงของโครงสร้าง ประสิทธิภาพการป้องกัน และความรู้สึกในการทำงานของการออกแบบที่แตกต่าง สามารถตอบสนองข้อกำหนดที่แตกต่างกันของกล่องกระจาย ข้อกำหนดในการติดตั้งตู้ควบคุม
| ขนาด | หมายเลขผลิตภัณฑ์ | |||||||
| L1 | L2 | L3 | B1 | บี2 | ชุบโครเมียมสีเทา | สีสเปรย์สีเทา | เคลือบผงสีดำ | น้ำหนัก(ก.) |
| 147 | 117 | 72 | 33 | 26.5 | เอบี301-1-1.2 | เอบี301-1-1.8 | เอบี301 | 370 |
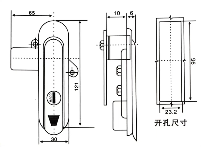
| 120.5 | 95.5 | 65 | 30 | 23.5 | เอบี301-2-1.2 | เอบี301-2-1.8 | เอบี302 | 290 |
| 87.5 | 62.5 | 65 | 28.5 | 23.5 | เอบี301-3-1.2 | เอบี301-3-1.8 | เอบี303 | 215 |
วัสดุหลัก: โลหะผสมสังกะสี.
การรักษาพื้นผิว: โครเมี่ยมสดใส, ด้าน, สีดำ
ฟังก์ชั่นและการใช้งาน: ตระหนักถึงการเปิดประตูซ้ายและขวา ใช้งานง่าย พร้อมฟังก์ชั่นซีลและกันน้ำ
วัสดุหลัก: โลหะผสมสังกะสี.
การรักษาพื้นผิว: โครเมี่ยมสดใส, ด้าน, สีดำ
ฟังก์ชั่นและการใช้งาน: ตระหนักถึงการเปิดประตูซ้ายและขวา ใช้งานง่าย พร้อมฟังก์ชั่นซีลและกันน้ำ
วัสดุ: ตัวล็อคโลหะผสมสังกะสี, เพลาหมุน, สลักเกลียวเหล็กชุบสังกะสี, แผ่นดัน
การรักษาพื้นผิว: สเปรย์นาโนสีเทาเงิน
คำอธิบายโครงสร้าง: หมุน 90 องศาเพื่อเปิดหรือล็อค
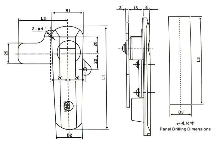
| แบบอย่าง | L1 | L2 | L3 | B1 | บี2 | B3 |
| ใหม่ AB402-A | 123 | 95.5 | 65 | 36.5 | 30 | 23.5 |
| นิว AB403-A | 91 | 62.5 | 65 | 33 | 28.5 | 23.5 |
| ใหม่ AB401-A | 151 | 117 | 72 | 36 | 30 | 26.5 |
